[ 제품 문의하기 / Request ]
제품 가격 및 정보에 대하여 문의가 필요하신 분은 아래 버튼을 클릭하여 주세요.
For inquiries about product prices and information, please click the button below.

벡터 네트워크 분석기(VNA) + 시간 도메인 반사계(TDR) 기능
WavePulser 40iX 고속 상호 연결 분석기는 단일 획득으로 주파수 및 시간 영역 모두에 대한 탁월한 특성화 통찰력을 제공합니다.
주요 특징

한 번의 획득으로 신호 경로의 완전한 특성을 얻습니다.

회로에서 반사가 발생한 부분을 정확하게 찾습니다.

WavePulser 40iX 소프트웨어는 깊은 도구 상자를 사용하여 상호 연결 및 회로의 쉬운 분석 및 모델링을 제공합니다.
WavePulser 40iX 고속 상호 연결 분석기는 Vector Network Analyzer(VNA)와 Time Domain Refletometers (TDR)에 없는 모든 기능을 갖춘 고속 하드웨어 설계자와 테스트 엔지니어를 위한 이상적인 단일 측정 도구입니다. 한 번의 신호 포착으로 주파수 도메인 및 시간 도메인 모두를 측정합니다.
1. 고속 상호 연결 분석을 위해 설계됨
WavePulser 40iX 시리얼 데이터 케이블, 채널, 커넥터, 비아, 백플레인, 인쇄 회로 기판, 칩 및 SoC 패키지의 상호 연결 문제를 검증, 디버그 및 해결합니다. 설정 및 사용이 간단합니다. 적은 비용으로 네트워크 분석기와 동일한 결과를 제공합니다.
2. 내부 자동 캘리브레이션
WavePulser 40iX 캘리브레이션 키트가 내장되어 있어 캘리브레이션이 항상 자동화되고 간단하며 빠릅니다. 추가로 외부 캘리브레이션 키트를 구입해야 하고 캘리브레이션을 수동 연결이 필요한 벡터 네트워크 분석기와 비교하십시오. TDR/TDT 기반 접근 방식은 설정과 무관고, 캘리브레이션 빈도가 줄어듭니다. 필요시 자동으로 캘리브레이션을 수행합니다.
WavePulser 40iX 고속 시리얼 데이터 상호 연결 분석에 이상적인 DC 및 저주파수로 외삽할 필요 없이 TDR(Time Domain Reflectometer) 스텝 펄스 응답 시간 게이팅 및/또는 에뮬레이트된 물리 계층 응답을 제공합니다.

WavePulser 40iX 고속 상호 연결 분석기는 단일 수집에서 Single End 및 Mixed Mode S-파라미터를 모두 측정합니다. 새 데이터를 다시 수집하지 않고도 설정을 변경하고 결과를 다시 계산할 수 있습니다.
하나의 획득으로 모든 측정 결과 표시: 모든 포트에 대한 혼합 모드 반환 및 삽입 손실; 차동 모드 및 공통 모드 측정; DC 주파수 응답. 표 형식의 그래픽 사용자 인터페이스는 읽기 결과를 간단하게 만듭니다.
간단한 설정에서는 단일 종단 획득을 위해 주파수와 포트 수만 입력하면 됩니다. 정확도, 속도 또는 그 사이에 최적화된 테스트 시간을 선택하십시오. DUT에 다시 연결하지 않고 소프트웨어에서 포트를 재구성합니다. Touchstone 파일에서 S-파라미터를 재정렬합니다.
내부 전자 캘리브레이션을 통해 측정을 더 빨리 시작하고 더 확실하게 수행할 수 있습니다. 수동성, 상호성 및 인과 관계 적용과 같은 기능은 더 높은 S-파라미터 측정 정확도를 보장합니다.
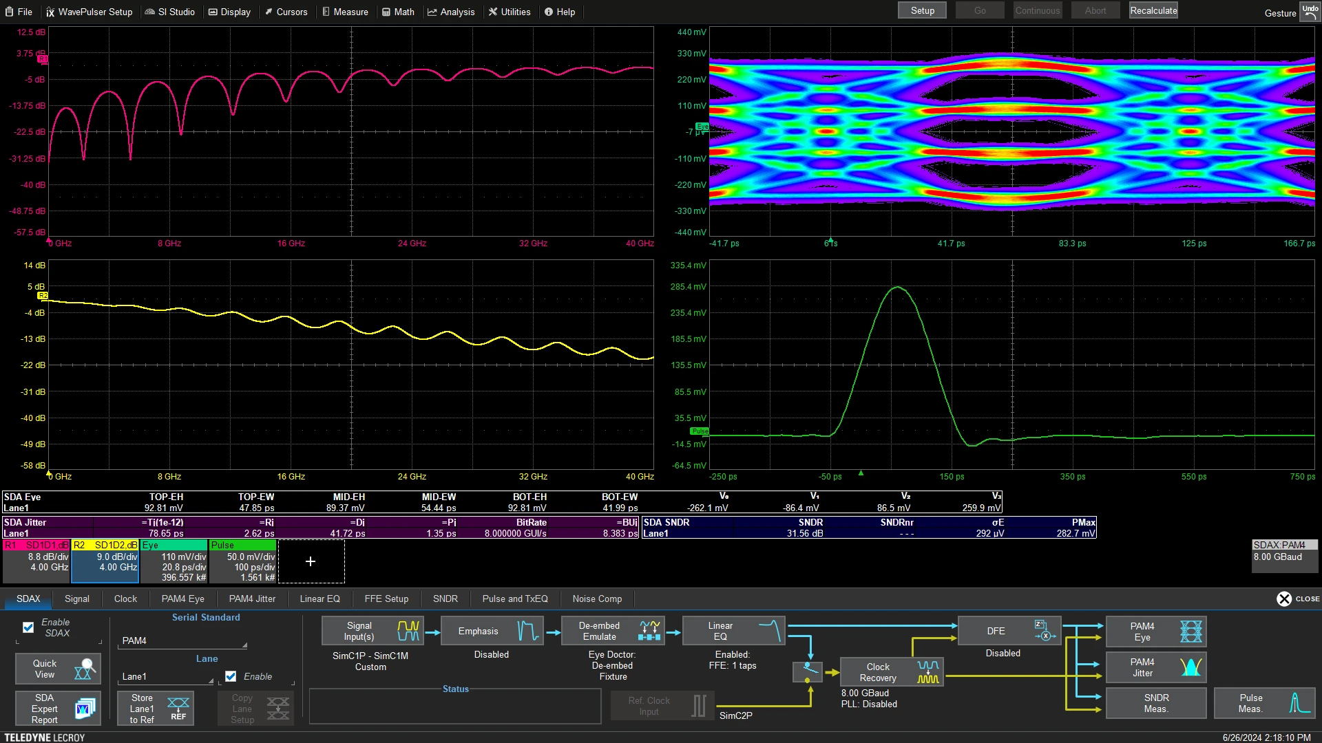
임피던스 프로파일 측정WavePulser 40iX 고속 상호 연결 분석기는 공간 분해능이 1mm 미만인 임피던스 프로파일을 측정합니다.
WavePulser 40iX 차동 모드 임피던스 프로파일과 혼합 모드 측정을 모두 지원하며 여러 모드를 동시에 표시할 수 있습니다. 스텝 응답, 펄스 응답 및 반사 계수도 볼 수 있습니다.
임피던스 프로파일을 사용하여 고속 시리얼 데이터 상호 연결의 일반적인 문제를 감지하고 찾습니다. 부적절하게 결합된 커넥터; 손상된 케이블; 잘못된 케이블 굽힘 반경; 전송 라인의 결함 비아, 기타 전송 라인 불규칙.
임피던스 프로파일은 DUT뿐만 아니라 측정 설정에서 장애를 감지하고 찾아내므로 작업을 보다 효율적으로 수행할 수 있습니다. 캘리브레이션을 반복해야 하는 경우와 그렇지 않은 경우를 이해합니다.
디임베딩, 시뮬레이션, 에뮬레이션 및 지터 분석WavePulser 40iX 고속 인터커넥트 분석기는 SI Studio(WavePulser-40iX-BUNDLE), 고속 직렬 데이터 상호 연결 특성을 이해하기 위해 맞춤화된 심층 분석 도구 상자입니다. NRZ 신호 분석은 구매 시 표준으로 포함됩니다. WavePulser-40iX-BUNDLE. WAVEPULSER-SISTUDIO-UPG-PAM을 구매하면 SI Studio에 PAM3 및 PAM4 신호 분석 기능을 추가할 수 있습니다.
결과에서 케이블 및 커넥터의 영향을 제거합니다. 포트 확장 또는 임피던스 필링 알고리즘을 통해 게이팅을 설정하고 게이팅 영역이 있거나 없는 S-파라미터를 저장합니다. 모델링되거나 측정된 S-파라미터를 사용하여 시리얼 데이터 채널을 포함하지 않습니다.
파형을 가져오거나 시뮬레이션하고 S-파라미터를 사용하여 손상을 모델링합니다. 직관적인 시리얼 데이터 아이다이어그램으로 손상의 영향을 빠르게 확인합니다. 아이다이어그램에서 디임베딩 및 이퀄라이제이션의 효과를 봅니다. PLL, 프리엠퍼시스, 디엠퍼시스, CTLE, FFE 및 DFE를 지원합니다.
토탈 지터(Tj), 랜덤 지터(Rj) 및 결정적(Dj) 지터를 측정합니다. Dj를 구성 요소 부분으로 분해합니다. 스펙트럼, 히스토그램, 지터 트랙, 아이다이어그램 및 기타 플롯에서 지터를 확인합니다
배송안내
배송 지역 | 대한민국 전지역
배송비 | 2,500원 (50,000원 이상 결제시 무료배송)
배송기간 | 주말 공휴일 제외 2~5일
- 모든 배송은 택배사 사정으로 지연될 수 있습니다.
교환 및 반품 안내
- 고객 변심으로 인한 교환/반품은 상품 수령 후 14일 이내 가능합니다.
- 고객 귀책 사유로 인한 반품의 경우 왕복 택배비는 고객 부담입니다.
- 반품접수 기한이 지난 경우, 제품 및 패키지 훼손, 사용 흔적이 있는 제품은 교환/반품이 불가합니다.

벡터 네트워크 분석기(VNA) + 시간 도메인 반사계(TDR) 기능
WavePulser 40iX 고속 상호 연결 분석기는 단일 획득으로 주파수 및 시간 영역 모두에 대한 탁월한 특성화 통찰력을 제공합니다.
주요 특징

한 번의 획득으로 신호 경로의 완전한 특성을 얻습니다.

회로에서 반사가 발생한 부분을 정확하게 찾습니다.

WavePulser 40iX 소프트웨어는 깊은 도구 상자를 사용하여 상호 연결 및 회로의 쉬운 분석 및 모델링을 제공합니다.
WavePulser 40iX 고속 상호 연결 분석기는 Vector Network Analyzer(VNA)와 Time Domain Refletometers (TDR)에 없는 모든 기능을 갖춘 고속 하드웨어 설계자와 테스트 엔지니어를 위한 이상적인 단일 측정 도구입니다. 한 번의 신호 포착으로 주파수 도메인 및 시간 도메인 모두를 측정합니다.
1. 고속 상호 연결 분석을 위해 설계됨
WavePulser 40iX 시리얼 데이터 케이블, 채널, 커넥터, 비아, 백플레인, 인쇄 회로 기판, 칩 및 SoC 패키지의 상호 연결 문제를 검증, 디버그 및 해결합니다. 설정 및 사용이 간단합니다. 적은 비용으로 네트워크 분석기와 동일한 결과를 제공합니다.
2. 내부 자동 캘리브레이션
WavePulser 40iX 캘리브레이션 키트가 내장되어 있어 캘리브레이션이 항상 자동화되고 간단하며 빠릅니다. 추가로 외부 캘리브레이션 키트를 구입해야 하고 캘리브레이션을 수동 연결이 필요한 벡터 네트워크 분석기와 비교하십시오. TDR/TDT 기반 접근 방식은 설정과 무관고, 캘리브레이션 빈도가 줄어듭니다. 필요시 자동으로 캘리브레이션을 수행합니다.
WavePulser 40iX 고속 시리얼 데이터 상호 연결 분석에 이상적인 DC 및 저주파수로 외삽할 필요 없이 TDR(Time Domain Reflectometer) 스텝 펄스 응답 시간 게이팅 및/또는 에뮬레이트된 물리 계층 응답을 제공합니다.

WavePulser 40iX 고속 상호 연결 분석기는 단일 수집에서 Single End 및 Mixed Mode S-파라미터를 모두 측정합니다. 새 데이터를 다시 수집하지 않고도 설정을 변경하고 결과를 다시 계산할 수 있습니다.
하나의 획득으로 모든 측정 결과 표시: 모든 포트에 대한 혼합 모드 반환 및 삽입 손실; 차동 모드 및 공통 모드 측정; DC 주파수 응답. 표 형식의 그래픽 사용자 인터페이스는 읽기 결과를 간단하게 만듭니다.
간단한 설정에서는 단일 종단 획득을 위해 주파수와 포트 수만 입력하면 됩니다. 정확도, 속도 또는 그 사이에 최적화된 테스트 시간을 선택하십시오. DUT에 다시 연결하지 않고 소프트웨어에서 포트를 재구성합니다. Touchstone 파일에서 S-파라미터를 재정렬합니다.
내부 전자 캘리브레이션을 통해 측정을 더 빨리 시작하고 더 확실하게 수행할 수 있습니다. 수동성, 상호성 및 인과 관계 적용과 같은 기능은 더 높은 S-파라미터 측정 정확도를 보장합니다.
임피던스 프로파일 측정WavePulser 40iX 고속 상호 연결 분석기는 공간 분해능이 1mm 미만인 임피던스 프로파일을 측정합니다.
WavePulser 40iX 차동 모드 임피던스 프로파일과 혼합 모드 측정을 모두 지원하며 여러 모드를 동시에 표시할 수 있습니다. 스텝 응답, 펄스 응답 및 반사 계수도 볼 수 있습니다.
임피던스 프로파일을 사용하여 고속 시리얼 데이터 상호 연결의 일반적인 문제를 감지하고 찾습니다. 부적절하게 결합된 커넥터; 손상된 케이블; 잘못된 케이블 굽힘 반경; 전송 라인의 결함 비아, 기타 전송 라인 불규칙.
임피던스 프로파일은 DUT뿐만 아니라 측정 설정에서 장애를 감지하고 찾아내므로 작업을 보다 효율적으로 수행할 수 있습니다. 캘리브레이션을 반복해야 하는 경우와 그렇지 않은 경우를 이해합니다.
디임베딩, 시뮬레이션, 에뮬레이션 및 지터 분석WavePulser 40iX 고속 인터커넥트 분석기는 SI Studio(WavePulser-40iX-BUNDLE), 고속 직렬 데이터 상호 연결 특성을 이해하기 위해 맞춤화된 심층 분석 도구 상자입니다. NRZ 신호 분석은 구매 시 표준으로 포함됩니다. WavePulser-40iX-BUNDLE. WAVEPULSER-SISTUDIO-UPG-PAM을 구매하면 SI Studio에 PAM3 및 PAM4 신호 분석 기능을 추가할 수 있습니다.
결과에서 케이블 및 커넥터의 영향을 제거합니다. 포트 확장 또는 임피던스 필링 알고리즘을 통해 게이팅을 설정하고 게이팅 영역이 있거나 없는 S-파라미터를 저장합니다. 모델링되거나 측정된 S-파라미터를 사용하여 시리얼 데이터 채널을 포함하지 않습니다.
파형을 가져오거나 시뮬레이션하고 S-파라미터를 사용하여 손상을 모델링합니다. 직관적인 시리얼 데이터 아이다이어그램으로 손상의 영향을 빠르게 확인합니다. 아이다이어그램에서 디임베딩 및 이퀄라이제이션의 효과를 봅니다. PLL, 프리엠퍼시스, 디엠퍼시스, CTLE, FFE 및 DFE를 지원합니다.
토탈 지터(Tj), 랜덤 지터(Rj) 및 결정적(Dj) 지터를 측정합니다. Dj를 구성 요소 부분으로 분해합니다. 스펙트럼, 히스토그램, 지터 트랙, 아이다이어그램 및 기타 플롯에서 지터를 확인합니다
배송안내
배송 지역 | 대한민국 전지역
배송비 | 2,500원 (50,000원 이상 결제시 무료배송)
배송기간 | 주말 공휴일 제외 2~5일
- 모든 배송은 택배사 사정으로 지연될 수 있습니다.
교환 및 반품 안내
- 고객 변심으로 인한 교환/반품은 상품 수령 후 14일 이내 가능합니다.
- 고객 귀책 사유로 인한 반품의 경우 왕복 택배비는 고객 부담입니다.
- 반품접수 기한이 지난 경우, 제품 및 패키지 훼손, 사용 흔적이 있는 제품은 교환/반품이 불가합니다.
[ 연관상품 ]